メインコンテンツへスキップ

How to Retrofit GE Zenith ZTG Series and CAT CTG ATS with DTSC-200A to Replace MX150/250 Controls - ナレッジベース / DTSC-200 - Power Management

How to Retrofit GE Zenith ZTG Series and CAT CTG ATS with DTSC-200A to Replace MX150/250 Controls

作成者一覧

The MX150/250 ATS control systems have been discontinued.
These systems were previously installed in automatic transfer switches, including:

  • GE Zenith ZTG Series

  • CAT CTG ATS Line


For reference, a demonstration of the obsolete ATS control solution and breaker handling can be found here: YouTube Video.


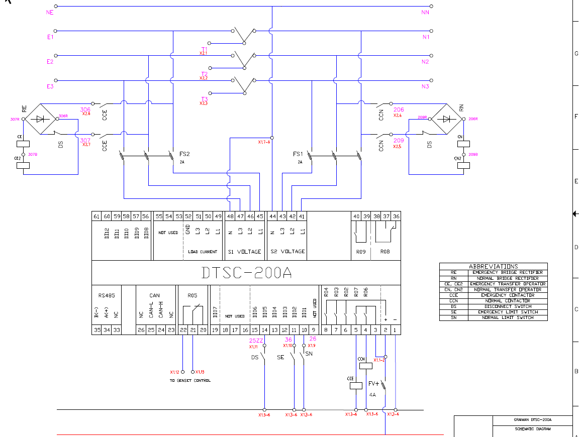
Below is a recommended wiring configuration for upgrading to the DTSC-200A.


and some pictures from upgrade